Heavy Duty Linear Actuator
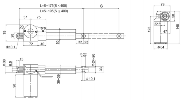
Dimensions
This heavy duty linear actuator is a powerful solution for pushing large loads. With a max static load of 770 lbs and 385 lb max dynamic load, this 2″ 12 volt DC linear actuator can take on most applications. Our all new super duty design is dependable and reliable even in the harshest of outdoor conditions.
Automate: Solar Panels, Hatches, doors, spreaders, throttles, tonneau covers, motorized trunks, hoods, amp racks, dump beds, lifts
Example Industrial or Commercial Applications: Solar Power, Farming equipment, road maintenance, construction work, military, yachts, ships, Oil platforms, trains, mining equipment, food industry. Regardless of Material Types: Fertilizers, Mud, Sand, Regardless of Environments, Slush, Salt water, Snow, Heat, Heavy vibrations, High pressure water.Our actuators are each
individually tested in our warehouse prior to shipment to ensure that it will deliver trouble free operation and outstanding performance. Linear actuator carry a “No DOA” warranty. Each actuator is QC tested before it leaves our facility. Actuators that are damaged due to improper installation, overloading or running over the duty cycle will not be covered under warranty.
General Features
Type: GT02 Serise
Thrust up to 6000N
Color: light gray or black
Manual lowering: red
IP rating: IP54
Input voltage: 24VDC
Stroke length: 0-400mm(±2mm)
Retracted length: L=S+175 (S<300),
L=S+195(300≤S≤400)
Noise level≤50dB (ambient noise≤40dB)
Safety nut: necessary
Built-in electrical limit switches
Mechanical limits: upper and down
Certifications: IEC60601-1,ANSI/AAMIES60601-1 ,
CAN/CSA-C22.2 NO 60601-1
Entre em contato conosco
Entre em contato conosco
Interessado em nossos produtos, preços, MOQ ou soluções personalizadas? Preencha o formulário abaixo para enviar sua pergunta ou solicitar uma cotação, e nossa equipe entrará em contato com você em 24 horas.
Interessado em nossos produtos, preços, MOQ ou soluções personalizadas? Preencha o formulário abaixo para enviar sua pergunta ou solicitar uma cotação, e nossa equipe entrará em contato com você em 24 horas.




